张力传感器TGT系列
应用描述:
TGT系列圆筒式张力传感器,采用独特的悬臂梁结构、防热胀冷缩机械结构、高性能模数电路设计,各种动态在线张力检测工况下,输出信号保真性好、响应快、抗干扰能力强。
服务热线:021-60892191
周经理:13795240075 (微信同号)
李经理:18049958686 (微信同号)
留言
周经理:13795240075 (微信同号)
李经理:18049958686 (微信同号)
- 产品概述
- 性能参数
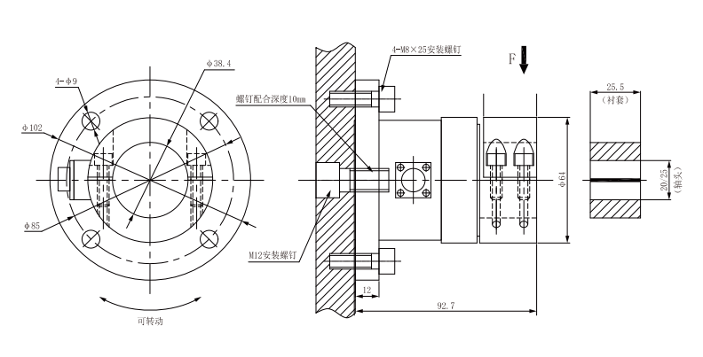
- 安装图纸
- 应用现场
- 资料下载
TGT系列圆筒式张力传感器,采用独特的悬臂梁结构、防热胀冷缩机械结构、高性能模数电路设计,各种动态在线张力检测工况下,输出信号保真性好、响应快、抗干扰能力强。
TGT系列张力传感器坚固耐用、防尘防腐蚀、稳定性高,额定范围内灵敏度恒定。TGT系张力传感器有多种规格和安装方式,普遍被应用于应刷机、涂布复合机、模切机、造纸机、电线电缆等胶片等卷取设备上。
产品特点:
1.输出信号响应频率高达25HZ;
2.输出信号线性度好;
3.内置温度补偿网络温度漂移小;
4.特殊机械机构设计,可补偿张力辊的胀缩、同轴度和扰度引起的干扰;
5.张力额定量程内全范围有效检测;
6.采用特殊的工艺,保证了应变片与基体粘结强度高;
7.传感器内置过载保护系统,过载能力可达350%;
8.工业化防尘防腐蚀工艺设计;
TGT系列张力传感器坚固耐用、防尘防腐蚀、稳定性高,额定范围内灵敏度恒定。TGT系张力传感器有多种规格和安装方式,普遍被应用于应刷机、涂布复合机、模切机、造纸机、电线电缆等胶片等卷取设备上。
产品特点:
1.输出信号响应频率高达25HZ;
2.输出信号线性度好;
3.内置温度补偿网络温度漂移小;
4.特殊机械机构设计,可补偿张力辊的胀缩、同轴度和扰度引起的干扰;
5.张力额定量程内全范围有效检测;
6.采用特殊的工艺,保证了应变片与基体粘结强度高;
7.传感器内置过载保护系统,过载能力可达350%;
8.工业化防尘防腐蚀工艺设计;
| 工作电源 | DC5-15V |
| 张力信号输出 | 0-20mV |
| 工作温度 | -38℃~+75℃ |
| 工作湿度 | <90%R.H |
| 传感器形式 | 电阻应变式 |
| 线性误差 | <±0.1% |
| 重复性误差 | <±0.1% |
| 综合性误差 | <±0.2% |
| 温度漂移 | <±0.2%/℃ |
| 接头规格 | 航空WS-12 |
| 传感器材料 | 特种合金 |
| 传感器外壳材料 | 合金钢 |
| 防护等级 | IP65 |














