张力传感器SLM系列
应用描述:
SLM系 列 超 薄 式 张 力 传感器,采用防水防尘防腐蚀设计,内置轴承,可配合惰轮辊或活轮辊进行安装.SLM系列传感器外形小巧。
服务热线:021-60892191
周经理:13795240075 (微信同号)
李经理:18049958686 (微信同号)
留言
周经理:13795240075 (微信同号)
李经理:18049958686 (微信同号)
- 产品概述
- 性能参数
- 安装图纸
- 应用现场
- 资料下载
SLM系 列 超 薄 式 张 力 传感器,采用防水防尘防腐蚀设计,内置轴承,可配合惰轮辊或活轮辊进行安装.SLM系列传感器外形小巧,特别适用于空间有限的场合,可直接安装在设备的立板上,或通过轴台座安装在设备机架上,可穿轴式设计使得其广泛运用于各种卷取设备上。
产品特点
● 输出信号响应频率高
● 输出信号线性度好
● 内置温度补偿网络,温度漂移小
● 对高低张力具有同样的高灵敏度
● 张力有效检测范围宽,高达45:1
● 采用特殊的工艺,保证了应变片与基体粘结强度高
● 传感器内置过载保护系统,过载能力可达500%
● 工业化防尘防腐蚀工艺设计
● 采用特种合金,坚固耐用
● 传感器采用调心球轴承以消除辊轴绕度和不同心误差
● 可配合惰轮辊或活轮辊进行安装
产品特点
● 输出信号响应频率高
● 输出信号线性度好
● 内置温度补偿网络,温度漂移小
● 对高低张力具有同样的高灵敏度
● 张力有效检测范围宽,高达45:1
● 采用特殊的工艺,保证了应变片与基体粘结强度高
● 传感器内置过载保护系统,过载能力可达500%
● 工业化防尘防腐蚀工艺设计
● 采用特种合金,坚固耐用
● 传感器采用调心球轴承以消除辊轴绕度和不同心误差
● 可配合惰轮辊或活轮辊进行安装
| 工作电源 | DC5-15V |
| 张力信号输出 | 0.-20mV |
| 工作温度 | 38℃~+75℃ |
| 工作湿度 | <90%R.H |
| 传感器形式 | 电阻应变式 |
| 线性误差 | <±0.1% |
| 重复性误差 | <±0.1% |
| 综合性误差 | <±0.2% |
| 温度漂移 | <±0.2%/℃ |
| 接头规格 | 航空WS-12 |
| 传感器材料 | 特种合金 |
| 传感器外壳材料 | 合金钢 |
| 防护等级 | IP65 |
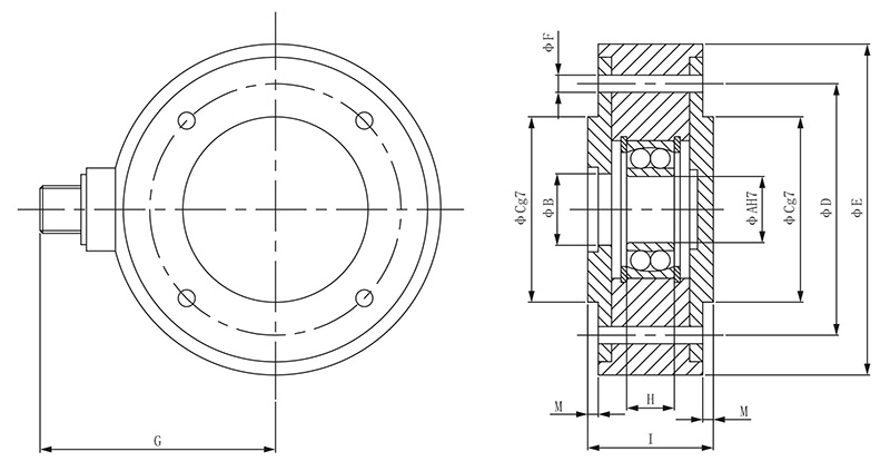
产品选型表
| 型号 | 额定载荷(N) | 外形尺寸 | |||||||||
| A | B | C | D | E | F | G | H | I | M | ||
| SLM-10 | 250 | 12 | 16 | 50 | 70 | 100 | 6.5 | 86 | 14 | 36.5 | 3 |
| SLM-20 | 500 | 17 | 22 | 60 | 75 | 105 | 6.5 | 88 | 16 | 36.5 | 3 |
| SLM-30 | 700 | 25 | 31 | 70 | 95 | 125 | 6.5 | 98 | 18 | 47.5 | 4 |
| SLM-40 | 1000 | 35 | 44 | 100 | 135 | 175 | 8.5 | 123 | 23 | 65 | 4 |
| SLM-50 | 1500 | 35 | 44 | 100 | 135 | 175 | 8.5 | 123 | 23 | 65 | 4 |
| SLM-60 | 3000 | 65 | 44 | 100 | 135 | 175 | 8.5 | 123 | 23 | 65 | 4 |
| SLM-70 | 5000 | 65 | 80 | 160 | 220 | 265 | 10.5 | 168 | 33 | 80 | 4 |
| SLM-80 | 6000 | 65 | 80 | 160 | 220 | 265 | 10.5 | 168 | 33 | 80 | 4 |
| SLM-90 | 10000 | 65 | 80 | 160 | 220 | 265 | 10.5 | 168 | 33 | 80 | 4 |
| SLM-100 | 20000 | 65 | 80 | 160 | 220 | 265 | 10.5 | 168 | 33 | 80 | 4 |
| SLM-110 | 30000 | 65 | 80 | 160 | 220 | 265 | 10.5 | 168 | 33 | 80 | 4 |
| 型号 | 额定载荷(N) | 外形尺寸 | |||||||||
| d | A | B | C | D | E | F | G | H | I | ||
| SLM-10 | 250 | 50 | 140 | 115 | 56 | 109 | 40 | 25.25 | 12 | 10 | 9 |
| SLM-20 | 500 | 60 | 140 | 115 | 56 | 109 | 40 | 25.25 | 12 | 10 | 9 |
| SLM-30 | 700 | 70 | 170 | 140 | 67 | 130 | 45 | 32.75 | 16 | 13 | 11 |
| SLM-40 | 1000 | 100 | 240 | 195 | 90 | 178 | 70 | 47.5 | 22 | 19 | 18 |
| SLM-50 | 1500 | 100 | 240 | 195 | 90 | 178 | 70 | 47.5 | 22 | 19 | 18 |
| SLM-60 | 3000 | 100 | 240 | 195 | 90 | 178 | 70 | 47.5 | 22 | 19 | 18 |
| SLM-70 | 5000 | 160 | 340 | 290 | 137 | 270 | 100 | 62.5 | 28 | 24 | 22 |
| SLM-80 | 6000 | 160 | 340 | 290 | 137 | 270 | 100 | 62.5 | 28 | 24 | 22 |
| SLM-90 | 10000 | 160 | 340 | 290 | 137 | 270 | 100 | 62.5 | 28 | 24 | 22 |
| SLM-100 | 20000 | 160 | 340 | 290 | 137 | 270 | 100 | 62.5 | 28 | 24 | 22 |
| SLM-110 | 30000 | 160 | 340 | 290 | 137 | 270 | 100 | 62.5 | 28 | 24 | 22 |













