张力传感器CLTL系列
应用描述:
“安优”CLTL系列悬臂式张力传感器,采用悬臂双梁结合箔式/半导体应变片原理检测卷材张力,具有输出信号线性好和响应快的特点。可有效的检测纸、塑料薄膜、金属箔等各种卷材的张力值。
服务热线:021-60892191
周经理:13795240075 (微信同号)
李经理:18049958686 (微信同号)
留言
周经理:13795240075 (微信同号)
李经理:18049958686 (微信同号)
- 产品概述
- 性能参数
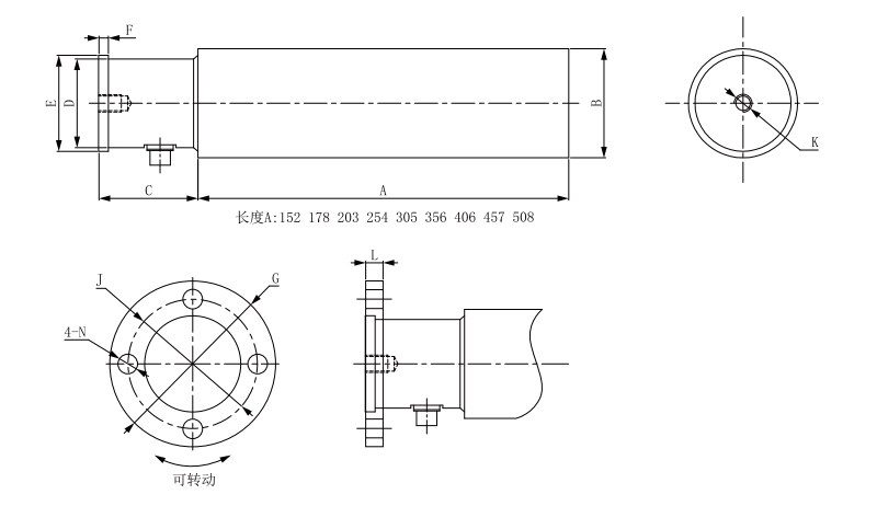
- 安装图纸
- 应用现场
- 资料下载
“安优”CLTL系列悬臂式张力传感器,采用悬臂双梁结合箔式/半导体应变片原理检测卷材张力,具有输出信号线性好和响应快的特点。可有效的检测纸、塑料薄膜、金属箔等各种卷材的张力值。该型号张力传感器坚固耐用、防尘防腐、稳定性高,在低张力下,仍可提供较高的灵敏度。该系列张力传感器普遍被应用于印刷、复合、模切、电线电缆及胶片等卷取控制设备和生产上。
产品特点:
1.防腐设计,使得传感器输出线性好、响应速度快;
2.稳定性高,坚固耐用;
3.对高低张力具有同样的高灵敏度;
4.根据用户要求可特别订制;
产品特点:
1.防腐设计,使得传感器输出线性好、响应速度快;
2.稳定性高,坚固耐用;
3.对高低张力具有同样的高灵敏度;
4.根据用户要求可特别订制;
| 额定载荷 | 53、111、222、300、445 |
| 工作电源 | DC5-15V |
| 张力信号输出 | 0-20mV/0-250mV |
| 工作温度 | -38℃~+75℃ |
| 工作湿度 | <90%R.H. |
| 传感器形式 | 电阻应变式 |
| 线性误差 | <±0.1% |
| 重复性误差 | <±0.1% |
| 综合误差 | <±0.2% |
| 温度漂移 | <±0.2% |
| 接头规格 | 航空WS-12 |
| 辊筒材料 | 6061铝 |
| 轴芯及底座材料 | 合金钢 |
| 防护等级 | IP65 |











