- 产品概述
- 性能参数
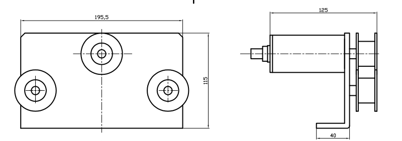
- 安装图纸
- 应用现场
- 资料下载
| 额定载荷(N) | 100、150、200、250、300、400、500 |
| 综合误差 | 士0.5% |
| 灵敏度 | 2mV/V |
| 过载系数 | 150%-300%。 |
| 配MI-12062信号放大器使用,输出信号0-10V或420mA。 | |
| 外形及导轮尺寸可按照用户要求定制。 | |
| 防护等级 | IP65 |


| 额定载荷(N) | 100、150、200、250、300、400、500 |
| 综合误差 | 士0.5% |
| 灵敏度 | 2mV/V |
| 过载系数 | 150%-300%。 |
| 配MI-12062信号放大器使用,输出信号0-10V或420mA。 | |
| 外形及导轮尺寸可按照用户要求定制。 | |
| 防护等级 | IP65 |

